全方位防爆技术解决方案提供商
15850264116
关于本公司在官网、公众号、百度或其他第三方网站平台发布的防爆技术分享或案例资料,均属于我司员工凭经验得来的总结,凝结着我司员工极大的心血,版权属于我司所有。个别同行公司或个人抄袭、盗用原创图片等行为,非常可耻,我司严厉谴责,并保留法律追究的权利。 温馨提醒:一味去抄袭别人的技术文章,而不思自己进步,不但是欺骗自己,更是对客户的不负责任。慎之!慎之!
全方位防爆技术解决方案提供商
服务项目
您现在的位置:BTY / 服务项目 / 防爆合格证
防爆认证技术之爆炸危险区域划分标准
时间:2021-03-31 阅读: 6467

掌握防爆认证技术,,必须先要理解防爆认证中的电气设备类型划分、爆炸性区域分区、爆炸性物质分类、温度组别、设备保护级别等基本知识。[敏感词]有阿凡提防爆简单介绍防爆认证技术的爆炸性危险区域的划分。

不同危险场所应当选用不同类型的防爆电气设备, 并采用不同的防爆措施。因此,首先必须正确划分所在环境的危险区域。

一、气体、蒸气爆炸危险场所

根据爆炸性气体混合物出现的频繁程度和持续时间将此类危险区域分为0区、1区和2区。危险区域的大小受通风条件、释放源特征和危险物品性能参数的影响。

(1)0区:在正常情况下,爆炸性气体混合物,连续地、段时间频繁出现或长时间存在的场所。(2)1区:在正常情况下,爆炸性气体混合物有可能出现的场所。

(3)2区:在正常情况下,爆炸性气体混合物不能出现,仅在不正常情况下偶尔短时间出现。

图片.png

爆炸危险区域的级别主要受释放源特征和通风条件的影响。

连续释放比周期性释放级别高;周期性释放比偶然短时间释放的级别高。

良好的透风可降低爆炸危险区域的范围和等级。

爆炸危险区域的范围和等级还与危险蒸气密度等因素有关。

 

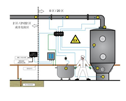
二、可燃性粉尘环境

爆炸性粉尘环境是指在生产、加工、处理、转运或贮存过程中出现或可能出现爆炸性粉尘、可燃性导电粉尘、可燃性非导电粉尘和可燃纤维与空气形成的爆炸性粉尘混合物的环境。

1、爆炸性粉尘环境的分区

爆炸性粉尘环境根据爆炸性粉尘混合物出现的频繁程度和持续时间,按下列规定进行分区。

(1)20区:在正常运行过程中可燃性粉尘连续出现或经常出现,其数量足以形成可燃性粉尘与空气混合物和/或可能形成无法控制和极厚的粉尘层的场所及容器内部。

(2)21区:在正常运行过程中可能产生可燃浓度的可燃粉尘与空气混合物的场所。

(3)22区:在正常运行下,可燃性粉尘与空气混合物不能出现,仅在异常条件下,可燃粉尘偶尔出现并且只是短时间存在的场所。

爆炸危险区域的划分应按爆炸性粉尘的量、爆炸极限和通风条件确定。

图片.png

符合下列条件之一时,可划为非爆炸危险区域:

(1)有良好除尘效果的除尘装置,当该除尘装置停车时,工艺机组能连锁停车;

(2)设有为爆炸性粉尘环境服务,并用墙阿凡提防爆隔绝的送风机室,其通向爆炸炸性粉尘环境的风道设有能防止爆炸性粉尘混合物侵人的安全装置;

(3)区域内使用爆炸性粉尘的量不大,且在排风柜内或风罩下进行操作。

要注意,为爆炸性粉尘环境服务的排风机室,应与被排风区域的爆炸危险区域等级相同。


本文版权归苏州阿凡提防爆技术有限公司所有,严禁抄袭盗用和转载。


上一篇:办理防爆合格证有什么要求?
下一篇:GB3836防爆认证标准对无线产品的相关规定
联系我们

访问手机站

关注阿凡提
  • 友情链接:

 
在线客服
热线电话
15850264116